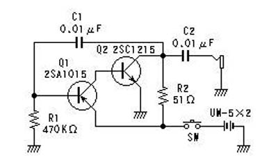
受信機のノイズレベルの最大点を探して共振周波数を得ようと言う、いたってアマチュアライクな方法で挑戦してみようと思います。SSGがあればいいのですが、この周波数帯が発振出来るSSGなど高価でしょうから、ちょっとしたノイズ発生器を自作することにします。これがあれば、BCL用の受信機など多少感度が悪いものであっても調整用として充分に使えるはずです。
とにかく、共振周波数の調整さえ出来れば、後は何とかなるだろうという・・Hi
以下加筆中


同、JA2PGU 尾硲OM 作製
この電界強度計では、相対的な強度(簡易測定)ではなく、絶対強度の測定が出来るそうです。(最終回路図)


同、JA2PGU 尾硲OM 作製
■各回路図が見難い方はこちらからメール頂ければ、拡大したものをお送りします。